路線価が設定されていない土地が存在する!?
前回は、「評価の細部や微妙な部分の規定は、放置されたり、粗っぽく定められたりしている」ことにいて、無道路地の具体例をあげながら、いかに対応すべきかについて述べました。今回は路線価のない道路などについて見ていきましょう。
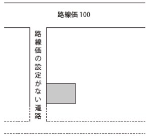
(2)路線価のない道路
いろいろな土地を評価していると、たまに下記の図表1のような、路線価が設定されていない土地に出くわします。税務署の担当者が道路の存在に気づいていないケース(たとえば目につかなかった、あるいは造成されたばかりのケース)、また「どうやら承知の上でこれを放置しているのではないか」と思われるなど、その理由はいろいろあると思われます。
一般に図表1のような場合には、ほとんどの税理士は評価対象地の前面にも同じ路線価があると仮定して評価しているようです。まあ気持ちはわからなくはありませんが・・・。
しかし、それは評価規定に違背する評価です。納税者側が勝手に路線価を敷設していいはずがないからです。
当局はこのような場合、「その道路に接続する路線の路線価に基づき評価する」と定めています。すると上記の土地であれば、膨大な蔭地が発生する(ただし上限は4割減)上に、奥行価格補正率の適用もあることから、単価はほぼ半値になりましょう。こうしたやり方は、「相手のミス等に乗じた不当な評価」とのそしりを受けるような気もします。
しかしその一方で、税務署は建築基準法上の道路に該当しない道路にも路線価を敷設している場合があります。常識的に考えて、建物の建築が許されない道路に、路線価を敷設していいはずがありません。税務署もその点は理解しているようです。
しかし、メンツからなのでしょう。そのような場合にも税務署は路線価を取り消すようなことはほとんどしません。そうであれば、こちらもそれとのバランスから、先述のような評価を行うわけです。何よりそれがルールだからです。
一般的に高すぎる傾向が強い特定路線価
(3)特定路線価の申請
一般に、下記にあげた図表2のような行き止まり状の私道には、路線価は敷設されていません。国税庁は通り抜けのできる道路を路線と定義しているからです。
しかしそれではA地は評価ができません。そこで国税庁は、こうした場合にこの私道に対して臨時に路線価を敷設してほしい旨を納税者側が申請することができる、と定めています。この臨時の路線価を特定路線価と言います。ところが一般に高すぎる特定路線価が設定される傾向が強いのです。
皆さん、図表2の公道沿いの土地の単価を路線価が示すように100とした場合、私道沿いのA地をいくらならお買いになるでしょうか? これが行き止まりの私道沿いである以上、おそらく80がやっと、といったところではないでしょうか。
しかし税務署は、90ないしそれ以上の特定路線価を設定します。彼らは土地の評価がわかっていないとしか思えません。となると、「降りかかる火の粉」をはらう必要があります。
すると先に示したとおり、特定路線価は「申請できる」と規定されています。つまり、申請しなくてもいいわけです。その場合には先ほど述べた「その道路に接続する路線の路線価に基づき評価する」ことになります。つまり間口狭小と蔭地等です。これでやれば70〜80程度とほぼ妥当な評価となりましょう(もう少し下がる場合もあります)。
さて、今まで無道路地以下三点にわたり「評価規定の曖昧さ」を突く形の評価をお示ししました。これに対しては、「理屈はわからなくはないが、やはり税務署の否認が怖い」という感想があるような気もします。
しかし否認の意向が示されたら(実際にはそのような経験はありませんが)、理由を説明して理解してもらうだけです。先方もルールどおりの評価を否認することはできないはずです。そしてこうした評価を可能としているのは、不動産の実力を背景とする評価規定の深い理解であることを申し添えておきます。
